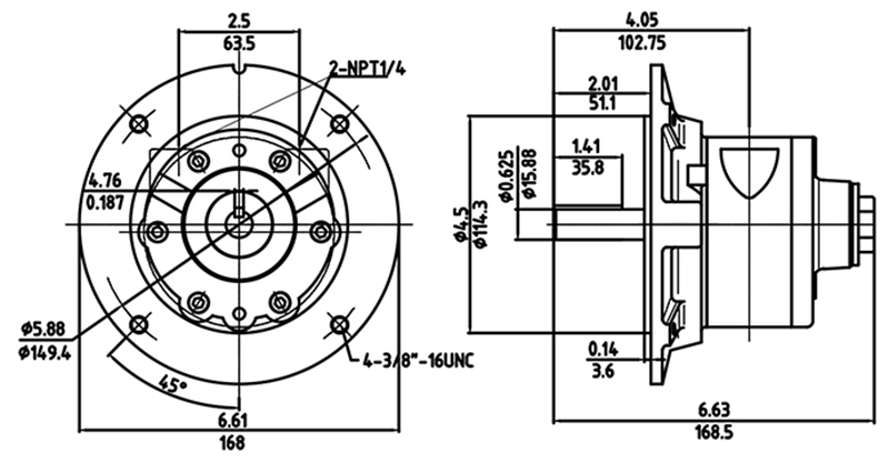
4AM-F110-30叶片式气动马达
此款叶片式气动马达4AM-F110-30叶片式气动马达为圆法兰安装、功率为1.3KW,适用于油漆、涂料、化工化学、食品机械、包装印刷等多种行业,迈诺德气动马达安全防爆、无极调速、
立即咨询
联系热线 13511627464









注意事项
(1)气动马达须由干燥、洁净,经过润滑的压缩空气驱动,须在气路系统中安装空气过滤器、调压阀、油雾器,即二联件或三联件。二联件、三联件须靠近气动马达安装(0.5米内)。
(2)接管内径不小于6.5mm,气路连接完毕接入气动马达前须通气清理气管内部可能出现的碎屑杂物,这些异物进入气动马达内部会造成马达卡死。
(3)气动马达运行时须持续润滑(润滑油经油雾器雾化后随压缩空气进入气动马达),润滑会减少气动马达叶片的磨损以及马达内部零件的锈蚀,延长使用寿命。润滑油标号为ISO-VG32号油雾器专用油或其他同等标号润滑油。润滑量为每立方米压缩空气1滴/分钟。

在线留言订购
资讯中心
- 气动搅拌机不转可能由以下原因导致 2025-03-17
- 活塞式气动马达四冲程发动机工作主要是? 2025-03-17
- 活塞式气动马达的工作原理与结构 2025-03-17
- 活塞式气动马达的优势 2025-03-17
- 活塞式气动马达的应用领域 2025-03-17
- 如何正确维护活塞式气动马达 2025-03-17
- 活塞式气动马达在自动化生产线中的应用 2025-03-17
- 活塞式气动马达的节能优化 2025-03-17
- 风之动活塞式气动马达的选型指南 2025-03-15
- 活塞式气动马达的故障诊断与排除方法 2025-03-15






